正在加载…
请使用更现代的浏览器并启用 JavaScript 以获得最佳浏览体验。
加载论坛时出错,请强制刷新页面重试。
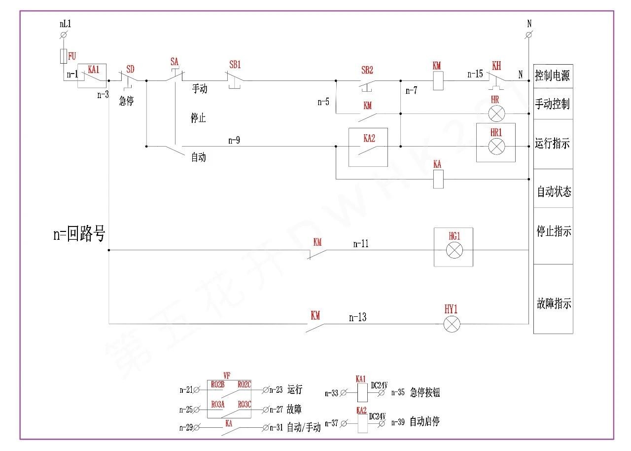
识图|反应釜变频器电气控制原理图!
100yxg
反应釜变频器电气控制原理图!